17. Fitting-out Works
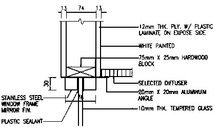
17.3 Section & Details
Section A of Enquiry Counter
Details A
Details B
Details C
Details D
Details E
17.4 Form Filling Counter - Elevation
Table of Content
17.2 Enquiry Counter - Front View