11. Fire Services Installations
11.4 Sprinkler Schematic Details
Sprinkler flow switch test & drain assembly detail
Pressure switch assembly detail
11.5 FS Control Centre and Pump Control Panels
Table of Content
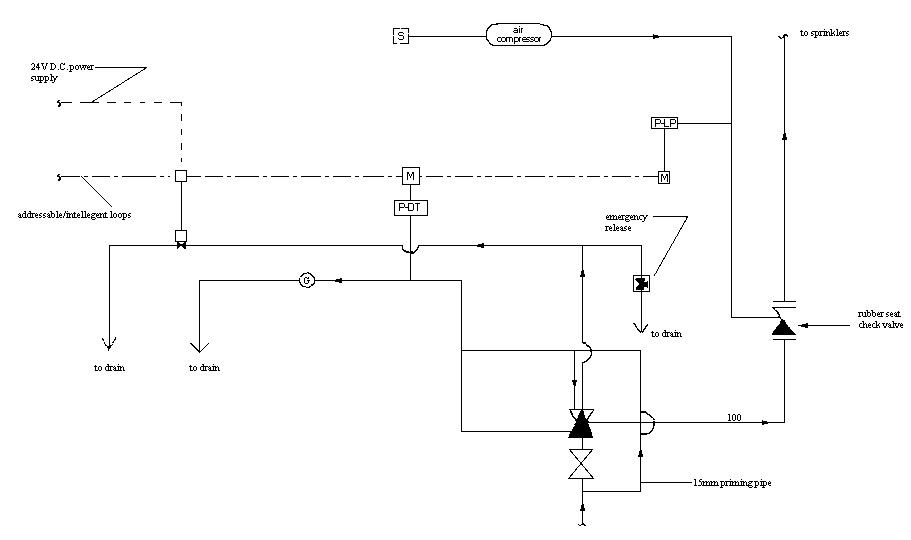
11.3 Sprinkler System Schematic Diagram